设为首页 |  加入收藏 | 联系我们
  网站首页 企业简介 产品展厅 行业知识 企业文化 售后服务 销售网络 联系我们 网站地图  
KXT型可曲挠单球体橡胶接头
KST-F型可曲挠双球体橡胶接头
KST-L型可曲挠双球体橡胶接头
FPT型风机盘管橡胶接头
KYT型可曲挠橡胶接头(异径)
KXT型可曲挠合成橡胶弯头
JGD型剪切式橡胶隔振器
JXD型橡胶隔震垫
QMBW型全埋式波纹管
JZBW型减振式波纹管
不锈钢泵用金属软管
JJL型铰链型波纹补偿器
ZT、ZTB、ZTG型阻尼弹簧减振器
DH系列、WHS系列吊式阻尼弹簧减振器
GFJH型双法兰钢复接头
T通用轴向型膨胀节
JX矩型膨胀节
JZW型轴向型外压式波纹补偿器
GRT型钢制柔性防水套管
GT型钢性防水套管
Y型过滤器
CS型热力套管伸缩器
SGD(A)SF型钢制套管伸缩器
SSJ型伸缩节
VSSJA型法兰式松套伸缩接头
DCT型单法兰传力接头
SCT型双法兰传力接头
限位套管伸缩器XSGD-0.25 XSGD-0.6 XSGD-1.0
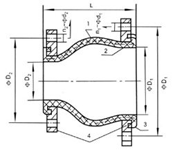
KYT型可曲挠橡胶接头(异径)
  KYT型可曲挠异径橡胶接头又叫做可曲挠同心异径接头,变径橡胶接头,弹力管道减震器,橡胶橡胶软连接,橡胶膨胀节,橡胶伸缩节,橡胶减振器,橡胶减震伸缩器,橡胶避震喉等。
   是一种高弹性,高气密性,耐介质性和耐气候性的管道接头。 KYT型异径橡胶接头系内胶层,多层锦纶帘布增强,外胶层复合的橡胶球体和松套金属法兰组成的产品。
   适用于泵及管路变径安装需要,可代替同径可曲挠橡胶接头和金属同心异径,偏心异径锥管。产品具有耐压,弹性好,位移变形量大,吸振降噪效果明显,安装灵活等特点,在给水排水,暖通空调,消防,压缩机,造纸,船舶,化工,卫生,风机等管道系统中应用可节省材料,节约安装时间和安装面积,能提高不少经济和社会效益。 KYT型可曲挠异径橡胶接头适用于输送海水,淡水,冷热水,饮用水,生活污水,原油,燃油,润滑油,成品油,空气,煤气,压缩空气等介质。适用温度-15°— 115°C,特殊要求可达-30°— 250 °C 产品工作压力等级分 0.6MPa , 1.0MPa , 1.6MPa , 2.5MPa 。
安装数据表
DN大×DN小 长度(L)
(MM)
轴向位移
(MM)
横向位移(MM) 角向位移
(a1+a1)°
DN大×DN小 长度(L)
(MM)
轴向位移
(MM)
横向位移(MM) 角向位移
(a1+a1)°
伸长 压缩 伸长 压缩
80×40 180 20 30 45 35° 200×100 200 22 30 40 35°
80×50 180 20 30 45 35° 200×150 200 22 30 40 35°
80×65 180 20 30 45 35° 200×125 220 25 35 40 30°
100×50 180 20 30 45 35° 250×200 220 25 35 40 30°
100×65 180 20 30 45 35° 300×200 220 25 35 40 30°
100×80 180 20 30 45 35° 300×250 220 25 35 40 30°
125×65 180 20 30 45 35° 350×200 220 25 35 40 30°
150×50 190 20 30 45 35° 350×300 220 25 38 35 30°
150×80 190 20 30 45 35° 400×350 220 25 38 35 30°
125×80 200 22 30 40 35° 500×400 230 28 38 35 26°
125×100 200 22 30 40 35° 600×400 240 28 38 35 26°
150×100 200 22 30 40 35° 600×500 240 28 38 35 26°
?注:1.DN200以上接头,高压力.高蹭建筑使用,管道必须有固定支援或固定托架,否则产品必须有防拉脱装置。
上海静泉减震设备有限公司 版权所有 地址:上海市青溥沪青平公路
电话:021-36327086  邮箱:shjqsb@shjqsb.com  网址:http://www.shjqsb.com